Position keeps changing with new actuator

I wouldn't guess that Rick's doesn't sell kock-offs. More likely he gets a break on quantity.
The owner of Von Weise in Mexico was very nice to talk to. In my book they make the Cadillac of actuators.
But he does not keep a stock of satellite actuators, rather builds to order. And I was offered a quantity break.
Great idea for a group buy.
There are several factors involved in mechanical things out in the weather. My Superjack has lived its cat lives because I value my hard-earned money. And a bit of a geeky mechanical/electrical/electronics dude.
The accordion boot is a great thing to have. Of all of the Saginaw, Venture, rebadged ones by the name of Houston Tracker. All of the screw tubes are gooked full of rust and caked up grease. Any grease in the geartrains looks like old wax.
I stand by my Zerk screwed in the tube, shallow by a few threads. Extend it fully once a year or so and give it a few pumps of Lucas super low temp grease and I'm good to go. Stick the motor/gearbox on the bench every so often and clean and grease it. New brushes if it needs it. I get mine from Ace. Closest size a bit bigger and sand them to size with a dial caliper to keep track.
Those Venture 18 inchers. I have 2 here. Dispose-a-jack. Seriously.
The dish retracting in the wind. Wow! I've extended the tube mount on my 'glass 12 footer with angle iron and bolts.
I use almost all of it's 36 inches from 127W all the way out to 30W. The dish originally uses a 24 inch tube.
It takes its sweet time traversing the arc. But when it stops. It stops. With a pull-back spring and cable to take care of over the center "flop". Longer fulcrum, less weight for the actuator, gears, and motor. And probably the dish mover current draw.
I know before when it got 0 or below. She would grunt heavy and give motor errors. Now? History.
I have dagger wounds and stone welts from people with disposable income telling me there's no need for grease or periodic PM. I guess our common sense clashes.
Here's my offer to the geeks with boxes of parts. A dynamic brake that will stop that motor cold in its tracks. It may not keep wind from moving it (you need to solve that). But it will Definitely cure a heavy load retraction of the tube when the motor stops. And absolutely help with accumulated mover count errors when you "bump" the dish to locate and store satellite position.
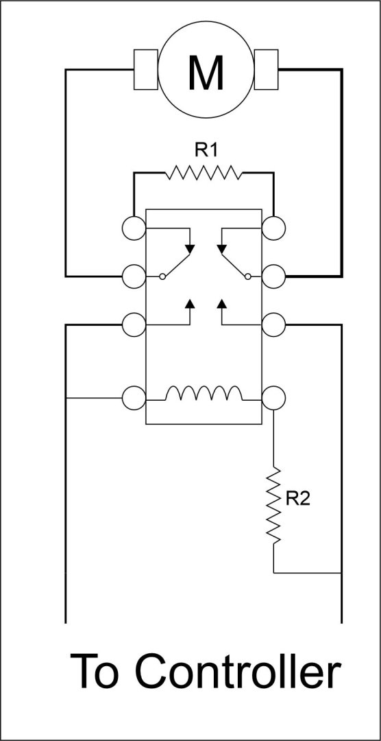
The relay is a DPDT mini relay with 10A contacts and 24 VDC coil. 10A is overkill but what I had in the box.
R1 can be a 1-5 ohm 1/2-1 watt resistor. Or a .33 ohm emitter resistor from an old solid state amp.
Mine is just a short. I don't need no steenkin' reesistor. Seriously. No ill effects from not having R1.
R2 is a current limiting resistor. In case your dish mover delivers considerably more than the 24 VDC coil rating.
My brake has its home inside of the gearbox cover. Fits real nice.
View attachment 175796
You will have the contact information. How much would it cost if I order or request only one 36-inch actuator?
 
The magnetic reed sensors worked quite well, especially considering how cheap they really were. I saw all of the more elaborate stuff from the early days- 10-turn pot, Hall effect, optical...
 
Acabo de realizar una búsqueda en mis correos electrónicos y me cotizaron $584,82 más el envío por un actuador de 24 pulgadas en abril. No estoy seguro de cuánto costaría uno de 36 pulgadas.

Es mucho más de lo que estaba dispuesto a gastar, así que compré un actuador de 18 pulgadas en eBay por aproximadamente $130. Funciona siempre que mantenga el interruptor de láminas nivelado.

I just did a search of my emails and I was quoted $584.82 plus shipping for a 24 inch actuator back in April . Not sure what a 36 incher would cost.

It's way more than I was willing to spend, so I got an 18 inch actuator on eBay for about $130. It works as long as I keep the reed switch level.
That was the price Von Weise gave you?

I quoted directly from Venture 3 years ago for a 36 inch Maxi and they gave me a price of $350+ shipping and 3 days ago I quoted and they gave me a price of $790+ shipping

That's why my question or doubt is that what they sell at Rick's is the same type of Venture Maxi that they sell directly from the Venture.
 
¿Ese fue el precio que te dio Von Weise?

Coticé directamente con Venture hace 3 años por un Maxi de 36 pulgadas y me dieron un precio de $350 + envío y hace 3 días coticé y me dieron un precio de $790 + envío.

Por eso mi pregunta o duda es que lo que venden en Rick's es el mismo tipo de Venture Maxi que venden directamente del Venture.
Me refiero al Maxi Ball Screw 36
 
That was the price Von Weise gave you?

I quoted directly from Venture 3 years ago for a 36 inch Maxi and they gave me a price of $350+ shipping and 3 days ago I quoted and they gave me a price of $790+ shipping

That's why my question or doubt is that what they sell at Rick's is the same type of Venture Maxi that they sell directly from the Venture.
No, it was a price quote I got direct from Venture Mfg Co. (not Von Weise) on April 3, 2024. It was for an 24 inch actuator.

And I agree with arlo's post #19 about Rick getting volume pricing from Venture. Volume resellers usually get a big discount compared to end users ordering 1 unit.

PLEASE LOG IN TO GET RID OF THESE ADS!
 
No, it was a price quote I got direct from Venture Mfg Co. (not Von Weise) on April 3, 2024. It was for an 24 inch actuator.

And I agree with arlo's post #19 about Rick getting volume pricing from Venture. Volume resellers usually get a big discount compared to end users ordering 1 unit.
So Rick's price is correct since it is wholesale.
 
So Rick's price is correct since it is wholesale.
You can find Von Weise linear actuators on ebay all day long. For hospital beds and mobility devices.
Easy. A manufacturer places an order for X units. Production tools up and they are built. Many are interchangeable.
Actuators for satellite usage have customization. Venture lists them. But they are a niche item unlike back in the 80's.
They just don't sell that many. And things on the shelf that don't move out the door are wasted space. Logistics.
2X the price direct from Venture vs Rick's. Wow. What a shocker. Whatever. Pulling parts to make one unit versus many for an order. You get it. Time is money. And almost exactly how the owner of Von Weise described it to me.
 

Papasan chair

91W BYU Channels