Why don't you PM me your address.Would you be willing to make me a deal just for replacement parts.LOL
http://www.satelliteguys.us/xen/conversations/add?to=KE4EST
Why don't you PM me your address.Would you be willing to make me a deal just for replacement parts.LOL

Nice setup with GeoSatPro... I replaced mt LNB with the C1Pll with wifi filter, and it works great. My VBox is trying to give me fits, and my ViewSat Ultra-lite is out of date, but if I'm good, then maybe I can talk Santa into the GeoSat. I'm on a mission to get mine going. I'm also trying to figure out how to start a conversation, and I think I need to re-read the instructions. Thanks for the shoutout! Great job and Good Luck to ya!I may be crying the same tune soon.My V Box 7 from Ebay arrived this morning. I hope mine is a 'good' one....I took a chance for only $37.Worst comes to worst and I will trash it and set up as stationary to start.
I'm already doghouse bound when Mama finds out I need 20 80lb bags of cement (+.5 cubic feet) for the satellite hole. Approx 20 inch diameter with side lobes on 2 sides to prevent turning.Down to 40" deep...hope to dig another 8 inches deep but my posthole diggers will no longer close at that depth. I'm down to yellow clay that is almost like rock.Surely 1600 lbs of concrete will be enough? I'm starting to hear Chinese voices from the hole.
I don't want to even think about hand mixing all that 'crete right now.
Side note: GeoSatPro Micro HD and Titanium CW2Pll came in earlier as well.
Good luck Tom14 !
Great, Thanks! Who is the best place to order them from? I've not bought any parts online.Looks like COIL Voltage is 12vdc. (replacing it with a higher coil voltage unit aint going to work) Load looks like it can be anything up to 240VAC. 10amps @24VDC derate a little for 36volts, so 8amps @ 36vdc. It's plenty heavy. Bet OMRON has one that's identical. (Pin connections on it)
View attachment 108254
DC12V - coil voltage (nominal voltage to make it 'switch')
LOAD specs: (what you can 'run through it')
10A/120VAC - max current @ 120 VAC
5A/240VAC -(makes sense, double voltage=half the current for = power) Pwr = voltage x current
10A/24VDC
A=Amps
VAC = AC voltage
VDC = DC Voltage
I know! That is what I would like to have invested in, and with your LNB not needing the skew control would be my 7th Heaven situation, but... Unless I can get the dish moving, and keep it moving for a reasonable length of time, MAMA (Misc. Appropriations Management Adviser) probably won't approve of many further expenditures without more results from current investments. !0-4? I'm motivated to fix this one, and let it work until the time is appropriate. I would rather invest in a new RCVR, than a dish mover, but "Ya can't see it if ya can't get to it! LOL Thanks! Don't get me wrong, my wife is a sweetheart, she is just like all of the other "cents"able wives out there that are sayin' "OK, Now you need to get a what now?, and why do we need that?, and whats wrong with the one we have... And last but not least................. HOW MUCH IS THAT GONNA COST?" !!#$%#$%!#$Currently we have a choice of something that might move the dish for a while (VBox 7 for $40) vs. something that will work and has the support here to back it up (Titanium ASC 1 for $180). Would be nice to have a mid-range priced unit with Titanium's quality and without skew control which many don't need.
Please don't assume everyone has your level of understanding, as this is NOT simple to me, but I would NOT be doing this if it was simple. That is my short version!With your actuator is nothing wrong since its able to turn both directions .
At most (maybe all) V/G-boxes the M+ and M- connectors are shorten when the relays are both switched off .
That makes the actuator motor stops quicker .
If you have a ohm meter , pull the mains plug , disconnect the motor wires and check the resistance between M+ and M- , it should be zero .
It could be a indication thats something wrong inside one of the relais .
Take the circuitboard out of the housing and make a clear picture of the solderside at the relays / connector area and show it here .
If both relays are clicking , its a simple fault , easy to tackle , no need to write 3 pages .
Please don't assume everyone has your level of understanding, as this is NOT simple to me, but I would NOT be doing this if it was simple. That is my short version!
Hopefully that will do the trick. Good luck Tom14! I may buy a few from them just in case...That first one is it and I have bought from thaishine several times, very good place to order.
I am sending him some parts in the morning though, so he should be good to go by this weekend.
Please don't assume everyone has your level of understanding, as this is NOT simple to me, but I would NOT be doing this if it was simple. That is my short version!
My Goodness man, how big of Dish do you have? The biggest concrete base I have seen for (I believe was a 10' or 12' Fiberglass dish) was 12' X 12' square, and 3' Thick. And the pole was about 12" around. It is at a house not far from where I live, where the house had caught on fire, and noone was around to inquire about it. I had left a note at a nearby neighbors house, but noone got back with me. It had a place on the edge where it looks like it either got dropped and took a little chunk out of it, or something might have been ejected at it due to the fire, but it needed repair, and if someone knows how to repair fiberglass, it would have been a small job, but OMG. I didn't need to get that one anyway. Can you imagine me bringing that GARGANTUAN Dish home. I wouldn't have gotten it in the truck like the 8.5' mesh dish. But hey, once I showed her that dish, she didn't think the 8.5 was big at all. Cause when I first started talking about a BUD, she initially frowned on a big dish in the yard, but after getting it all cleaned up, and looking nice, she said it looks pretty cool. (Yeah baby). I need to list the other dishes in my collection, but I'll save that info for another post. Some people might frown on long posts, as too much reading may be a bore to them. Sorry, but I love to share my experiences, and my freedom of speech is not subject to length, and as long as I have something (I hope) is either informative, and or entertaining, then I'll try not to ramble, but since we are all trying to learn something others might not necessarily know, I will share something that I would consider VERY IMPORTANT INFO: IF YOU EVER REMOVE YOUR ACTUATOR FROM YOUR DISH, USE 2 OR MORE PEOPLE. IF IT IS IN THE HIGH CENTER POSITION, DON'T FORGET THAT YOUR DISH IS VULNERABLE TO WIND AND GRAVITY IF IT IS LEFT IN THAT POSITION, WHEN 2 PEOPLE DO IT, ONE PERSON CAN HANDLE THE ACTUATOR, AND THE OTHER CAN GENTLY GUIDE THE DISH DOWN TO THE RESTING POSITION. WALKING AWAY WITH THE ACTUATOR WITH THE DISH LEFT UNSUPPORTED, THE DISH WILL CRASH TO ONE SIDE OR THE OTHER, AND WILL MOST LIKELY DAMAGE EVERYTHING IN THE PROCESS. THE DISH WILL PROBABLY BE ALL OUT OF WHACK, AND YOUR MOUNT WILL BE TWEEKED TO WHERE TRUSTING MEASUREMENTS MAY BE A CHALLENGE. IT VERY WELL COULD BE IT'S DEATH. THE BIGGER THEY ARE... That is my advice for the day, and I'm sorry you had to wait until the end of this, but I'm not too proud to say, that I am speeking out of experience, and this almost happened to me, and if I had been absent minded about bringing the dish down to rest, this very thing would have happened to me, and you would have probably read about it in the obituaries for stupid husbands... Thank goodness that it had just enough balance and just a fuzz bit of drag enough to stay there until I laid the actuator down. I instantly saw the potential for disaster, and had to pass it along. If you can't laugh at yourself, then don't laugh at someone else. LOL DTTAH Don't Try This At Home... TI may be crying the same tune soon.My V Box 7 from Ebay arrived this morning. I hope mine is a 'good' one....I took a chance for only $37.Worst comes to worst and I will trash it and set up as stationary to start.
I'm already doghouse bound when Mama finds out I need 20 80lb bags of cement (+.5 cubic feet) for the satellite hole. Approx 20 inch diameter with side lobes on 2 sides to prevent turning.Down to 40" deep...hope to dig another 8 inches deep but my posthole diggers will no longer close at that depth. I'm down to yellow clay that is almost like rock.Surely 1600 lbs of concrete will be enough? I'm starting to hear Chinese voices from the hole.
I don't want to even think about hand mixing all that 'crete right now.
Side note: GeoSatPro Micro HD and Titanium CW2Pll came in earlier as well.
Good luck Tom14 !
I think I will as well, just to have em around. They are rated to 10amps@30v instead of these that are at 10amps@24v. Better? Yes? No?Hopefully that will do the trick. Good luck Tom14! I may buy a few from them just in case...![]()
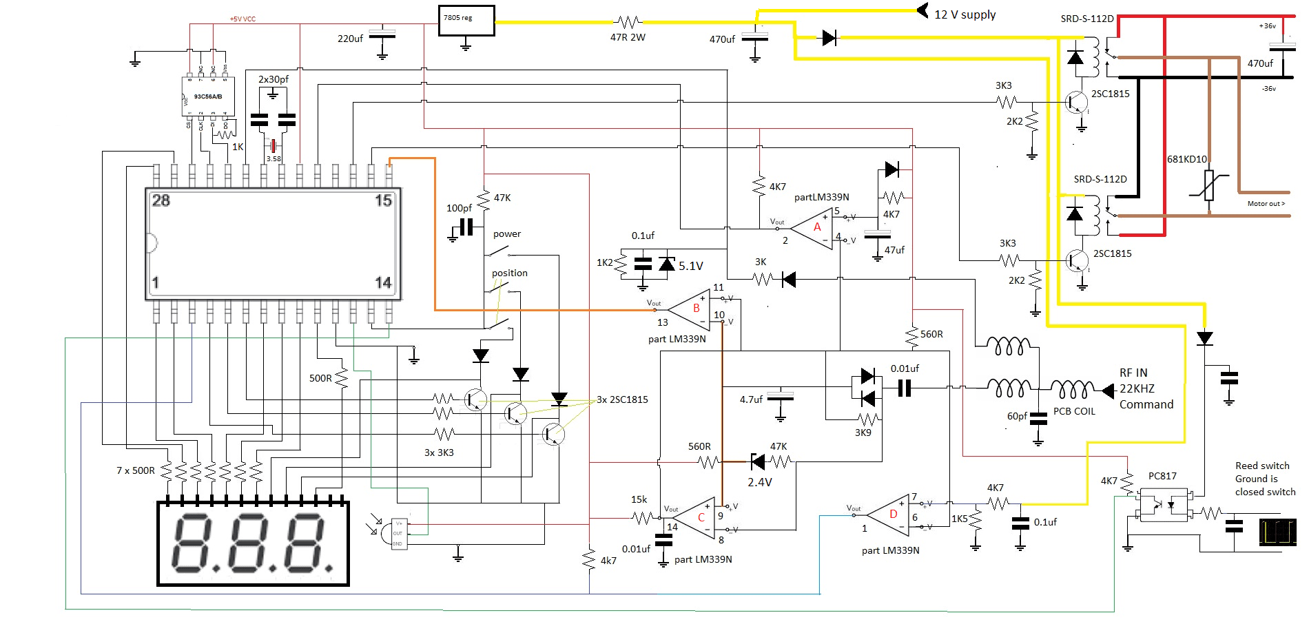
Looking back at this now, I wonder if I should look into getting one of these as well. It showed some heat in the lazor temp. gun test. Just a thought, but when I looked at your message again, I thought about the fact that it did get fairly warm, but anyway, any week links would be nice to have extras of. The system is made of fairly common parts I would imagine, maybe just a few well built replacement parts in the right places will convert a good idea into a good little unit until we can save up and get the good stuff. Thanks again! TNo electrolytic Caps in the 36V side. Goes from transformer to Diodes D13-D16 then to relay to Motor. The relays are energized off the transistor array at U3.
My Goodness man, how big of Dish do you have? T
After hearing that, I totally agree. What would it cost for a cement mixer rental. That would make things easier for you. We had a squall line of a storm pass by us last week, and while I was looking outside to see how the dish was fairing the storm, we had an Oak Tree in the front yard start to teeter in a waterlogged ground, and if the wind would have persisted, the tree would have come into the house. Just after that storm wave passed, we got lucky, and called a local tree service, and they were at our house in 1/2 hour, and in 30 minutes, they had the tree down to a 20 foot tall stump, and we tied a cable around it, and dropped it in a safe spot in the front yard where I will finish cutting it up and processing the remains. All in time before the next storm wave came through 20 minutes after they were done... They had all the right equipment, and made it look easy. We tipped them nicely for a great job done in a restricted time window. They were a blessing to have been available, cause that tree was VERY unstable. Thank you lord! ...And the dish was just fine! I have been keeping an eye on the level of the pole during all of this rain here, and so far, so good. I just keep it attached to the pole so I can give it a quick looksee until things dry out here. It's 85 degrees outside right now, and the humidity is still miserably high. Thats why I like Spring and Fall. Thanks and Good Luck! P.S. If you can't get a cement mixer of some kind, at least get one of those mixer bits that are used with a drill. That beats all the arm work, but then your post hole diggers have probably done that already. LOL. Work smart and not hard if possible... T7+1/2 ft dish,but may go 10 or 12 ft in future if needed.May be overkill but:
1) Location is on a hillside where the upper soil has washed down from above,so the top foot may not be completely settled.
2)Septic drainfield is above so the soil might become wet in future years.
3) Our location is a natural wind tunnel for winds from the north-west.(60 mph gust tonite due to a minor thunderstorm)
4) I'm getting too old and lazy to risk re-doing it later.
Didn't mean to hijack the thread.As the old saying goes: " I don't say much...it just takes me a long time to say it" lol, Niters